Our Products
RO System for Pharmaceutical
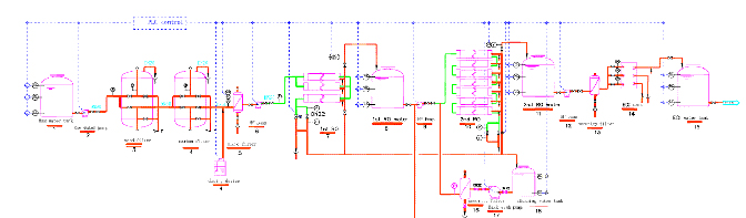
Pharmaceutics is a sensitive industry. Also it is one of the oldest consumers of reclaimed water. Thus, undoubtedly, water is an essential component used in the pharmaceutical industry. Hence treating water before their use for pharmaceutical applications is a much needed step so that high quality and pure water can be further utilized for the production of tablets, syrups and most importantly washing the tools and utensils used in pharmaceutical procedures. GIECL has designed special Reverse Osmosis systems for pharmaceutical industry with the goal of removing residual organic contaminants present in water.
GIECL follows a simple yet accurate process to achieve this goal. The water is first passed through the Reverse Osmosis Systems with cation and anion exchanger. After this it travels through the Mix Bed Unit which allows production of < 2 conductivity water. The water is then passed through 1 & 0.2 micron cartridge filter for further purification. At last, the water being treated is passed through the UV Filtration system and is stored in the Closed Loop Tank to preserve it the way it is.
The complete Reverse Osmosis system uses FRP and stainless steel only with Pressure Gauges, Pressure Switches and Safety features incorporated with Electric control panel.
One of the key challenges faced by the pharmaceutical industry is water reuse and water purification hence there is a need to set the scenario right. GIECL provides complete Solution for Water treatment as per the Tailor made requirements. We understand that some industrial applications require very low saline content in the water. Our Reverse Osmosis systems are water treatment plants are designed to carry out all procedures accordingly.
SOMETHING TO KNOW ABOUT

GIECL has supplied all the systems using following Product
| FRP Vessel :- Pentair | |
| R.O. Membrane :- Toray / Hydranautics :- All Made in USA | |
| Pumping System :- Grundfoss | |
| Pressure Vessel :- Advance / Pentair | |
| Dosing System :- Toshcon Jesco | |
| Piping and Fittings :- uPVC Lead Free / S.S. – 316 | |
| EDI SYSTEM :- Electropure – Ion Pure – GE |


UF System followed to EDI System which guarantee high purity water


Mix Bed Unit in MSRL for High Flow Rate with uPVC Pipiing and Fitting
Mix Bed Unit in MSRL for High Flow Rate with uPVC Piping and Fitting


Treatment Schemes
| Sources of Water | Giecl Treatment Schemes | |
| Deep well water | : | Pretreatment with R.O. System |
| Bore Hole Water | : | Chlorination, Pretreatment with R.O. System |
| River Water | : | Chlorination, Filtration and Ozonation(Option: R.O. System) |
| Lake Water | : | Chlorination, Filtration with U.V.& Ozonation |
| Sea Water/Sea Source | : | Chlorination, Filtration with De-Salination, R.O. System and Ozonation |

10,000 Liters per hour BW R.O. System installed at Mauritius

Model Selection
| Model No. | Product Output Ltrs.(Gallon)/Hour | Treatment Scheme | Application |
| 100 BW | 100(26.41) | MCF, HPP, R.O.System Mobile unit | Home,Hospital, Drinking, Kidney Dialysis,Process |
| 500 BW | 500(132) | MCF, HPP, R.O.System | Drinking, Green House Agriculture, Kidney Dialysis |
| 1000 BW | 1000(264.17) | PSF, ACF, ASD,MCF, HPP, R.O.System ozone | Mineral Water, Boiler, Cooling Tower, Electronic Ind. |
| 2000 BW | 2000(528.34) | PSF, ACF, ASD,MCF, HPP, R.O.System. U.V. System, Ozonation | Beverages, Pharma, Textile, Industrial Application, Bottled Water, Soft Drink, Juice |
| 5000 BW | 5000(1320.86) | Cl2 ,PSF, ACF, ASD,MCF, HPP, R.O.System | Pharma, Textile, Industrial Application, Soft Drink, Paper |
| 8000 BW | 8000(2113.37) | Cl2 ,PSF, ACF, ASD,MCF, HPP, R.O.System | Power Generation, Cooling Tower, Suger, Textile, Dyeing |
| 10000 BW | 10,000(2641.72) | Cl2 ,PSF, ACF, ASD,MCF, HPP, R.O.System | Power Generation, Effuent Re- Cycling, Sugar, Textile,Dyeing |
| RWP | : | Raw Water Pump | Cl2 | : | Chlorine Dosing | Ozone | : | Ozonation System |
| SOF | : | Softening Unit | ASD | : | Anti Scalent | ACF | : | Activated Carbon Filter |
| R.O. | : | Reverse Osm | U.V. | : | Ultra Violet | Hpp | : | High Pressure Pump |
| MCF | : | Micron Catridge | PSF | : | Pressure Sand Filter | Coagu | : | Coagulation |
RODMMB (PHARMACEUTICAL)
RO System with D.M. Plant with Mix Bed Unit (M.B. Unit) For GMP, WHO and SCH M for Tablet, Liquid Product

HSRO (PHARMACEUTICAL)
Hot Water Senitizable RO System for WFI (Water For Injection) With USP 25, 26, 27 Standards

© Copyright 2004 - 2015 GUJARAT ION EXCHANGE AND CHEMICALS LIMITED. All Rights Reserved










